簡體中文
AVP和AVN系列超高壓輸出電源模塊
DC-DC隔離型模塊6K~10KV超高電壓輸出5, 12, 15, 24 and 28 VDC讀取額定(ding)電壓MIL-STD 883篩分-25o C~ +70o C運作室內(nei)溫度(不必(bi)散熱)可拓展超小體積太,凈(jing)重僅5g購貨交貨:1-2周
DC-DC隔離型模塊
6K~10KV超高電壓輸出
5, 12, 15, 24 and 28 VDC讀取額定(ding)電壓
MIL-STD 883篩分
-25o C~ +70o C運作室內(nei)溫度(不必(bi)散熱)可拓展
超小體積太,凈(jing)重僅5g
購貨交貨:1-2周
寬輸入電壓DC-DC電源模塊
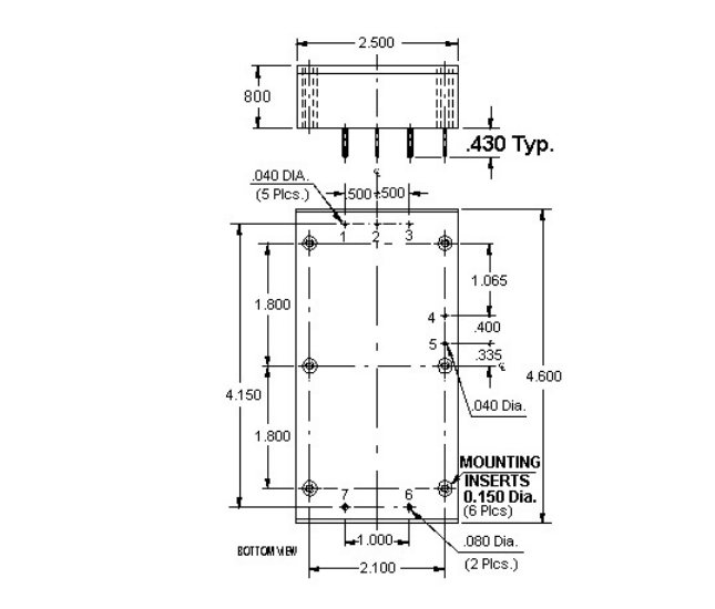
HiQP系列125-475Vdc搜索工作電壓PCB氬弧焊小形尺寸圖2.5" x 1.55" x 0.5"寬溫運行 -55°C to +95°C高靠譜性Mil Std 883需求輸出24、48、100、200V電壓可選購貨交貨期:1-2周
HiQP系列
輸出24、48、100、200V電壓可選
400 Hz-250 KHz高可靠性音頻變壓器70565
2 Ohm ~0K Ohm 400Hz ~250KHz 100 milliwatt at 1KHz復合美國空(kong)軍標MIL-PRF-27, Grade 5, Class S載重量僅1.5g耐(nai)低溫(wen)沖擊(ji)試驗 美國士兵標(biao)MIL-STD-202(-55o C ~+130o C)出具外(wai)掛作弊和貼片(pian)封(feng)裝形式定購交貨時間:1-2周
2 Ohm ~0K Ohm 400Hz ~250KHz
100 milliwatt at 1KHz
復合美國空(kong)軍標MIL-PRF-27, Grade 5, Class S
載重量僅1.5g
耐(nai)低溫(wen)沖擊(ji)試驗 美國士兵標(biao)MIL-STD-202(-55o C ~+130o C)
出具外(wai)掛作弊和貼片(pian)封(feng)裝形式
定購交貨時間:1-2周
38315SM微型體積軍級電流互感器
頻(pin)率(lv)范圍50KHz ~500 KHz電流量超范圍5~20Amps變壓匝比 1:30~1:100適合美國士兵標MIL-PRF-27 MIL-STD-202定購貨期:1-2周
頻(pin)率(lv)范圍50KHz ~500 KHz
HVP6N高壓可編程電源模塊6KV
輸入電壓11~16Vdc輸出工率5W輸出線電壓0~6KVPCB板載封裝類型本職工作高溫 -25oC~+70oC可擴容小款大小2.55" x 1.3" x 0.5"購貨交貨期:1-2周
輸入電壓11~16Vdc
HPD48D高壓大功率定頻電源模塊200~380V
寬(kuan)輸入電壓200~380Vdc密度高計算公式工率100W傳輸端電壓3.3~100VPCB板載芯片封裝設定頻繁 100KHz雙檢修通道隔離霜養護 備貨交貨期:1-2周
寬(kuan)輸入電壓200~380Vdc
UACHV225S高壓AC-DC電源模塊高可靠性
輸入電壓(ya):85~265Vac輸出精度電流值: 225Vdc電gps精度:1%工作功率: 250w購貨頻次:6-8周
輸入電壓(ya):85~265Vac