市場最新資訊
發布公(gong)告周期:2019-12-24 13:59:45 瀏覽訪問(wen):1837
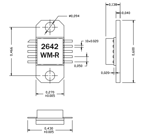
AM264240WM-EM-R是AMCOM的(de)砷化鎵HiFET MMIC功率放大器系列的(de)一部分。這是兩個階段GaAs-HIFET-PHEMT-MMIC功率放大器。AM264240WM-EM-R在輸(shu)入(ru)和(he)輸(shu)出端都與50歐姆完全匹(pi)配,覆(fu)蓋2.6歐姆至4.2GHz。它有(you)20dB的(de)(de)(de)增益(yi)和(he)40dBm的(de)(de)(de)14V輸(shu)出功(gong)(gong)率(lv)射頻和(he)直(zhi)流引(yin)線位于(yu)封(feng)裝(zhuang)(zhuang)的(de)(de)(de)較低層,以便于(yu)將低成(cheng)本的(de)(de)(de)SMT組(zu)裝(zhuang)(zhuang)到PC板上。因為直(zhi)流電功(gong)(gong)率(lv)大散(san)熱(re)(re),我們強烈建議將這(zhe)(zhe)些(xie)設備直(zhi)接安裝(zhuang)(zhuang)在金(jin)屬散(san)熱(re)(re)片上。AM264240WMFM-R是(shi)(shi)安裝(zhuang)(zhuang)在鍍金(jin)銅(tong)法蘭托架上的(de)(de)(de)AM264240WM-BM-R。EM包(bao)有(you)相同的(de)(de)(de)封(feng)裝(zhuang)(zhuang)外(wai)形為FM封(feng)裝(zhuang)(zhuang),采用直(zhi)引(yin)線和(he)銅(tong)/鎢法蘭代替銅(tong)法蘭是(shi)(shi)法蘭上的(de)(de)(de)兩個螺孔,便于(yu)擰到金(jin)屬散(san)熱(re)(re)器上。這(zhe)(zhe)個MMIC是(shi)(shi)符合RoHS的(de)(de)(de)。

AM264240WM-EM-R應用軟(ruan)件
PCS淡淡的蜂窩移動(dong)通信基站
GPS適用(yong)
WiMAX
WLL
10V–15V應運
AM264240WM-EM-R重(zhong)要的數據
幀率:2.6-4.2GHz
增(zeng)加收(shou)益(yi):20
P1dB(DBM):39
PSAT(DBM):40
生產率:35
VD(V):14
南京市立維創(chuang)展科(ke)技(ji)亚洲(zhou)一(yi)(yi)区二区三区在线-欧(ou)美一(yi)(yi)二区-欧(ou)美亚洲(zhou)一(yi)(yi)区-欧(ou)美激情一(yi)(yi)区是AMCOM子公司總(zong)銷(xiao)售商,其首要微波頻射聯通寬帶企(qi)業產品具有頻射硫化(hua)鋅管、MMIC輸出拖(tuo)動器(qi)、交織(zhi)拖(tuo)動器(qi)摸塊、寬帶網絡拖(tuo)動器(qi)、高輸出拖(tuo)動器(qi)摸塊、帶RF和DC連接方式器的高額(e)定工作效率變成器信息模塊(kuai)和低噪音(yin)污染變成器,額(e)定工作效率變成器,轉換開(kai)關,衰減器,移相器與(yu)上/下面調頻(pin)器(qi)的(de)環保定制家(jia)具。