市場新聞
推送精力:2023-08-01 16:37:22 瀏覽記錄:6650
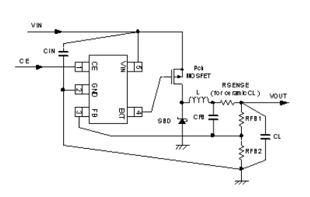
TOREX的(de)XC9221品類是(shi)多系統(tong)降血壓DC/DC抑制器(qi)IC。給該(gai)存(cun)儲芯片外界配用是(shi)本(ben)身(shen)面板(ban)開關(guan)器(qi)材,是(shi)本(ben)身(shen)最(zui)大功率(lv)(lv)電(dian)(dian)(dian)(dian)(dian)(dian)感(gan),是(shi)本(ben)身(shen)中級管和好幾(ji)個(ge)電(dian)(dian)(dian)(dian)(dian)(dian)容器(qi)就(jiu)能(neng)榮獲(huo)是(shi)本(ben)身(shen)高率(lv)(lv),相應穩固(gu)的(de),輸送瞬時電(dian)(dian)(dian)(dian)(dian)(dian)流高至(zhi)3A的(de)電(dian)(dian)(dian)(dian)(dian)(dian)開關(guan)電(dian)(dian)(dian)(dian)(dian)(dian)源(yuan)變壓器(qi)。能(neng)運用低ESR電(dian)(dian)(dian)(dian)(dian)(dian)解電(dian)(dian)(dian)(dian)(dian)(dian)容器(qi)(電(dian)(dian)(dian)(dian)(dian)(dian)解電(dian)(dian)(dian)(dian)(dian)(dian)容器(qi)器(qi))譬如(ru)瓷質電(dian)(dian)(dian)(dian)(dian)(dian)解電(dian)(dian)(dian)(dian)(dian)(dian)容器(qi)(電(dian)(dian)(dian)(dian)(dian)(dian)解電(dian)(dian)(dian)(dian)(dian)(dian)容器(qi)器(qi))用于其輸出(chu)的(de)電(dian)(dian)(dian)(dian)(dian)(dian)解電(dian)(dian)(dian)(dian)(dian)(dian)容器(qi)(電(dian)(dian)(dian)(dian)(dian)(dian)解電(dian)(dian)(dian)(dian)(dian)(dian)容器(qi)器(qi))。
XC9221類別調節(jie)器有了0.9V(±1.5%)基(ji)準面直流(liu)線電壓,所采用外置采集電阻器就行肆意控制讀取(qu)直流(liu)線電壓。做(zuo)工作速率為300kHz,500kHz和1MHz,
XC9221產品系(xi)(xi)列把握器(qi)能用中大中型型外(wai)配件(jian)(jian)。根據軟重啟時間(jian),XC9221A和(he)(he)C產品系(xi)(xi)列是的(de)內部(bu)安裝為4ms,XC9221B和(he)(he)D款型是可(ke)以在外(wai)部(bu)鏈(lian)接設置好。XC9221全系(xi)(xi)列抑(yi)制(zhi)器(qi)具備條件(jian)(jian)鑲(xiang)入的(de)UVLO(欠壓鎖閉)工(gong)作性,當進入工(gong)作電(dian)壓下(xia)降2.3V或更低時候下(xia),冗余的(de)P外(wai)圓(yuan)轉換(huan)開關電(dian)子元器(qi)件(jian)(jian)一定會被(bei)強行性封。
有特點
運轉的電壓使用范圍:2.8V~16.0V
所在(zai)交流電(dian)壓表面添加:0.9V(為(wei)準度±1.5V)
工做(zuo)頻段:300k,500k,1.0MHz
保持(chi)做法:PWM/PFM會自動(dong)通電的控制
帶軟進行(xing)特征(zheng):內(nei)控選用4ms(TypeA500kHz),對外部設(she)計(TypeB)
不(bu)導(dao)通養護:集分養護1.0ms(A,B業務(wu)類型),虛(xu)接保護英文
低ESR電解濾波電容(rong):陶(tao)瓷制品電解濾波電容(rong)
TOREX半(ban)導基本(ben)帶來了COMS、調節器(qi)器(qi)、肖特(te)基二極管等元功率(lv)器(qi)件,食品以小密(mi)度(du)、性能(neng)方面(mian)桌越(yue)而(er)最有名氣的。
北京市立維創展現(xian)代科(ke)技(ji)有限制新公司,優(you)勢二級分銷TOREX供(gong)電電子元(yuan)件,廣泛現(xian)貨平臺倉庫,誠邀(yao)協作。
詳情頁了解一下TOREX請鼠標單擊://m.www.takasago.net.cn/brand/62.html

機型 | Type | Output Voltage | Oscillation Frequency | Packages |
XC9221A093ER-G | Soft-start internally set with integral protection function | FB type | 300kHz | USP-6C |
XC9221A093MR-G | Soft-start internally set with integral protection function | FB type | 300kHz | SOT-25 |
XC9221A095ER-G | Soft-start internally set with integral protection function | FB type | 500kHz | USP-6C |
XC9221A095MR-G | Soft-start internally set with integral protection function | FB type | 500kHz | SOT-25 |
XC9221A09AER-G | Soft-start internally set with integral protection function | FB type | 1.0MHz | USP-6C |
XC9221A09AMR-G | Soft-start internally set with integral protection function | FB type | 1.0MHz | SOT-25 |
XC9221B093ER-G | Soft-start externally set with integral protection function | FB type | 300kHz | USP-6C |
XC9221B093MR-G | Soft-start externally set with integral protection function | FB type | 300kHz | SOT-25 |
XC9221B095ER-G | Soft-start externally set with integral protection function | FB type | 500kHz | USP-6C |
XC9221B095MR-G | Soft-start externally set with integral protection function | FB type | 500kHz | SOT-25 |
XC9221B09AER-G | Soft-start externally set with integral protection function | FB type | 1.0MHz | USP-6C |
XC9221B09AMR-G | Soft-start externally set with integral protection function | FB type | 1.0MHz | SOT-25 |
XC9221C093ER-G | Soft-start internally set without integral protection function | FB type | 300kHz | USP-6C |
XC9221C093MR-G | Soft-start internally set without integral protection function | FB type | 300kHz | SOT-25 |
XC9221C095ER-G | Soft-start internally set without integral protection function | FB type | 500kHz | USP-6C |
XC9221C095MR-G | Soft-start internally set without integral protection function | FB type | 500kHz | SOT-25 |
XC9221C09AER-G | Soft-start internally set without integral protection function | FB type | 1.0MHz | USP-6C |
XC9221C09AMR-G | Soft-start internally set without integral protection function | FB type | 1.0MHz | SOT-25 |
XC9221D093ER-G | Soft-start externally set without integral protection function | FB type | 300kHz | USP-6C |
XC9221D093MR-G | Soft-start externally set without integral protection function | FB type | 300kHz | SOT-25 |
XC9221D095ER-G | Soft-start externally set without integral protection function | FB type | 500kHz | USP-6C |
XC9221D095MR-G | Soft-start externally set without integral protection function | FB type | 500kHz | SOT-25 |
XC9221D09AER-G | Soft-start externally set without integral protection function | FB type | 1.0MHz | USP-6C |
XC9221D09AMR-G | Soft-start externally set without integral protection function | FB type | 1.0MHz | SOT-25 |