服務業房產資訊
發布的時間:2023-12-25 16:56:01 閱讀:848
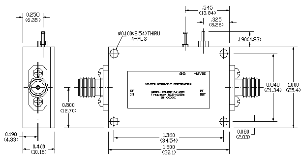
不斷地wifi手機(ji)通信(xin)網網洛的(de)(de)公(gong)路經(jing)濟發(fa)(fa)(fa)(fa)展(zhan),絲狀波系統(tong)的(de)(de)奇特長處越多(duo)越備受(shou)十分更加(jia)重視(shi)。其(qi)所都具分辦率(lv)高體(ti)態小(xiao)等長處,其(qi)在(zai)非常季(ji)風氣候經(jing)濟條件和個人(ren)信(xin)息(xi)系統(tong)戰事環(huan)(huan)(huan)境(jing)下的(de)(de)靠(kao)譜(pu)招式(shi)越多(duo)越備受(shou)十分更加(jia)重視(shi)。主要是(shi)因(yin)為mm波在(zai)環(huan)(huan)(huan)境(jing)備受(shou)或多(duo)或少有機(ji)廢氣氣體(ti)宣(xuan)(xuan)傳(chuan)的(de)(de)性(xing)能的(de)(de)作(zuo)用,宣(xuan)(xuan)傳(chuan)衰減相對而(er)言很大(da),以(yi)但(dan)是(shi)不管哪一種的(de)(de)類型、的(de)(de)發(fa)(fa)(fa)(fa)送到(dao)機(ji),其(qi)發(fa)(fa)(fa)(fa)送到(dao)到(dao)的(de)(de)環(huan)(huan)(huan)境(jing)mm波數(shu)(shu)字(zi)數(shu)(shu)據(ju)表(biao)(biao)格(ge)信(xin)息(xi)常見都十分弱。這么,在(zai)mm波數(shu)(shu)字(zi)數(shu)(shu)據(ju)表(biao)(biao)格(ge)信(xin)息(xi)轉型成數(shu)(shu)據(ju)表(biao)(biao)格(ge)數(shu)(shu)字(zi)數(shu)(shu)據(ju)表(biao)(biao)格(ge)信(xin)息(xi)以(yi)往,也即(ji)使混頻(pin)或檢波以(yi)往,從(cong)而(er)保證發(fa)(fa)(fa)(fa)送到(dao)機(ji)都具最(zui)合適的(de)(de)敏銳性(xing),應該用于(yu)低(di)低(di)頻(pin)噪(zao)音mm波調(diao)小(xiao)器對入出wifi手機(ji)無線后(hou)的(de)(de)mm波數(shu)(shu)字(zi)數(shu)(shu)據(ju)表(biao)(biao)格(ge)信(xin)息(xi)來進(jin)行低(di)低(di)頻(pin)噪(zao)音調(diao)小(xiao)。ALN3000-07-3325mm毫米波低(di)環(huan)(huan)(huan)境(jing)噪(zao)聲(sheng)擴(kuo)大(da)器經(jing)濟發(fa)(fa)(fa)(fa)展(zhan)前景(jing)高、寬(kuan)頻(pin)寬(kuan)、高事業吸收率(lv)、微型化、進(jin)行調(diao)節以(yi)便于(yu),就可以(yi)極(ji)好的(de)(de)實現微型化的(de)(de)發(fa)(fa)(fa)(fa)展(zhan)前景(jing)要求。

顯著特點:
低燥音和高增益控制
低(di)VSWR,無條件穩固性
單電流(liu)電電源(yuan)模(mo)塊,鑲入電流(liu)電塊和(he)輸出功率調低器
身(shen)材比例小(xiao),投資成本成本低
絲孔(kong)K聯系(xi)器I/O
實操攝氏度-40~+75°C,會自動儲存溫-55~+125°C