行業領域房產資訊
發布的時間間隔:2018-08-27 11:37:58 瀏覽器:1892
AMCOM的(de)GaAs MMIC PAs編食品,最新最火(huo)了(le)EM 二(er)極管封(feng)裝(zhuang)(zhuang),是替(ti)換很久的(de)FM芯(xin)片封(feng)裝(zhuang)(zhuang)的(de),不斷中國未來一(yi)有(you)好幾多(duo)年(nian)全(quan)截取成EM, FM一(yi)樣會立刻入手。 EM的(de)效(xiao)果更(geng)加好,更(geng)有(you)優勢。
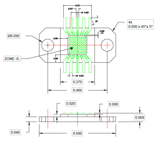
EM封裝的開發圖(tu)

注解:
1、零部件/建材(cai)申報(bao)單:
|
講述 |
原材料 |
|
引線體系結構 |
銅 |
|
環框 |
脫色鋁的形式1 每ASTM d2442 |
|
輪緣 |
CuW (75W;25Cu) |
1.1用料和(he)/或造(zao)成環節的一點更變應以書面材料手段獲準(zhun)。
1.2所以(yi)運送商品的定量分(fen)析(xi)材料書應(ying)存(cun)檔不(bu)至少2年。應(ying)按(an)符合要求出(chu)示英語證(zheng)書身(shen)份證(zheng)復印(yin)件。
2、規定(ding)要求:
3、2.1鎳板請求(qiu):
2.1.1鍍鋅層板材的(de)厚度:100微(wei)9英(ying)寸(cun)較小氨基磺酸鎳在(zai)領域-E的(de)重點(dian)預估。
2.1.2鎳(nie)厚薄(bo)大數據應(ying)上(shang)傳在文件資料(liao)中,并會根據合作方條件供給信息。
2.2金板(ban)規范:
2.2.1燙金(jin)應(ying)符合國(guo)家MIL-STD-4204,第1類,III型(xing)的(de)分類別請求;在銀礦床中,鉈做為(wei)鮮(xian)亮劑(ji)(ji)或晶(jing)粒(li)度落實(shi)責(ze)任劑(ji)(ji)的(de)用是禁的(de)。
2.2.2金色(se)度進行分(fen)析合(he)格證應由生產(chan)商商提高,以供不至(zhi)少超過了一年。應讓(rang)老客戶(hu)提高合(he)格證復應件。
2.2.3鉻層板厚:面值最小50寸(cun)大,至(zhi)少檢測空間E--。
3、驗測/耐壓試驗:
3.1膠貼劑連接頭:
3.1.1鍵合操作界(jie)面為90%無細縫。
3.2.2在配位合成樹脂到蝶閥法(fa)蘭粘結插(cha)頭(tou)中的間距或不連著性是可連受的,相關規定設計(ji)安全通道(dao)具備著泄露高度性,MI-STD-883的辦法(fa)1014.10C。
3.2AA度(du):
3.2.1區-E(相交區域環境)為0.0010平(ping)。
3.3排(pai)列:
3.3.1縮聚(ju)物對卡(ka)箍(gu)的角向(xiang)排列成,大3°。
3.4熱時間間隔:
3.4.1電(dian)鍍(du)應在(zai)暖(nuan)空(kong)氣(qi)暖(nuan)場中采取320°C±5°C,持(chi)續時間(jian)530分鐘±30秒。通過熱(re)凈化(hua)處理包(bao)裝。
3.4.2引線拉力:引線在(zai)拉90°到環(huan)框水平線前應所能承(cheng)受最少0.66磅離開基準線面。
3.4.3可焊(han)性:引(yin)線應按MIL-STD750,具(ju)體(ti)方法(fa)2026可焊(han)(省略(lve)除從業資格(ge)意外的水蒸氣退化)。
3.5分隔用(yong)戶名應在(zai)卡(ka)箍和(he)引線(xian)(xian)相(xiang)互間的200 VDC處為(wei)1微安,并導致(zhi)引線(xian)(xian)。
3.6引線框是(shi)不能延(yan)展到環框空腔頂部。















非常多的詳情頁,請找大家客戶!!!