企業方式
發布(bu)了耗時:2024-01-12 16:59:19 打開網頁:1198
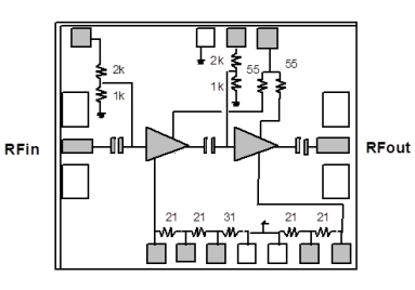
CHA2063A99F是款兩極寬帶網絡單支低嘈音調大器。
CHA2063A99F以集成塊(kuai)性質(zhi)提供。交流電(dian)(dian)源控制電(dian)(dian)路所采用PHEMT制作工藝(yi),0.25um柵極長寬高,橫穿(chuan)基材的通孔(kong),熱空(kong)氣橋和電(dian)(dian)子(zi)(zi)為了滿足電(dian)(dian)子(zi)(zi)時代發展的需求,束門光(guang)刻水(shui)平。
CHA2063A99F有單片(pian)機芯片(pian)主要形式。

主要是表現形式
寬帶網絡特點7-13GHZ
2.0db嘈(cao)音(yin)標(biao)準(zhun)值,8-13GHZ
19db增益(yi)值(zhi)值(zhi)
低(di)直(zhi)流電壓(ya)功效衰減,40MA
18dbm三(san)階截距點
封(feng)裝形式(shi)長(chang)寬(kuan)比:1.52x1.27x0.1mm