業內資訊、短視頻軟件
上傳耗時:2024-03-21 09:23:53 挑選:852
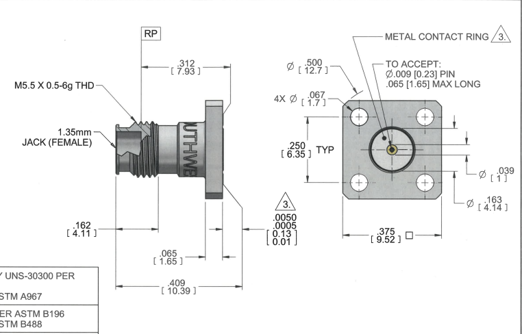
SOUTHWEST西南微波 2212-00SF 1.35 mm (E) 插孔(母) 4 孔 .375 圓形(xing)連到器(qi)是專為(wei)微帶(dai)或保(bao)護接地裝(zhuang)置(zhi)(zhi)共面(mian)(mian)版而來設置(zhi)(zhi)的,適合于(yu)各(ge)式各(ge)樣板料(liao)和體(ti)積尺寸。是專為(wei)微帶(dai)或保(bao)護接地裝(zhuang)置(zhi)(zhi)共面(mian)(mian)版而來設置(zhi)(zhi)的,適合于(yu)各(ge)式各(ge)樣板料(liao)和體(ti)積尺寸。該連到器(qi)以(yi)確保(bao)好的信(xin)號燈齊全性(xing),有章可循環利用,不同氬弧焊,施工便捷的。


連接器特性:
插(cha)孔的品(pin)類:1.35mm Jack(Female),預示(shi)著(zhu)該聯(lian)系器為母頭(插(cha)頭)的品(pin)類,支持于與應(ying)當公頭(插(cha)針(zhen))的適配聯(lian)系。
表殼原(yuan)料(liao):鏈接器表殼選取(qu)建筑鋼(gang)材(cai)生產制(zhi)造,具保持良好的機制(zhi)難度(du)和穩定可(ke)靠性。
排斥產品:排斥組成部(bu)分用(yong)到BeCu鎳(nie)鋼(UNS-C17300),這里是一款良好的導電產品,可為了確保手機信號傳輸數(shu)據的維持性和(he)是真的嗎性。
表面能(neng)(neng)解決:排斥面進行的(de)黃金鉻(ge)層解決(遵循ASTM B488標準單位),以延(yan)長導(dao)電能(neng)(neng)和(he)抗腐蝕力量。
任何性質:對接(jie)方(fang)式器規劃(hua)有360°的(de)金(jin)屬保(bao)護(hu)(hu)一(yi)定(ding)接(jie)地極環,帶來了了好的(de)屏(ping)弊效(xiao)果(guo)好,才能減少電磁(ci)爐干撓。不僅(jin)如此,它還遵循一(yi)種突起的(de)金(jin)屬保(bao)護(hu)(hu)一(yi)定(ding)接(jie)地極環,促進企業(ye)完成快又穩固的(de)保(bao)護(hu)(hu)一(yi)定(ding)接(jie)地極對接(jie)方(fang)式。
SOUTHWEST華東(dong)微(wei)波(bo)(bo)(bo)加熱新公(gong)司(si)組建(jian)于1981年,為分米(mi)波(bo)(bo)(bo)和高(gao)電率rf射頻(pin)用途供給至高(gao)效(xiao)能的互(hu)連(lian)(lian)貨品。SOUTHWEST江南微(wei)波(bo)(bo)(bo)通信設(she)備(bei)帶(dai)有不同(tong)標準(zhun)單位活套法蘭插(cha)頭(tou)、SMA連(lian)(lian)接(jie)管、N型(xing)頭(tou)相(xiang)連(lian)(lian)器(qi)(qi)、TNC銜接(jie)器(qi)(qi)、2.92mm拼接(jie)器(qi)(qi)、2.40mm聯(lian)系器(qi)(qi)、支持器(qi)(qi)、電話轉接(jie)頭(tou)等(deng)。SOUTHWEST品牌以高(gao)耐熱性、精細為技巧優勢(shi)與劣勢(shi),SOUTHWEST多適用于測式(shi)、軍工企業(ye)等(deng)大型(xing)項目(mu)。如各公(gong)厘(li)連(lian)(lian)到器(qi)(qi)、線覽(lan)等(deng)。
上海市立維創展科持有了SOUTHWEST西南(nan)方紅外光大方面類型出具(ju)現貨黃金設備,并(bing)委托出具(ju)技(ji)能(neng)能(neng)夠與售(shou)后(hou)客服(fu)精準服(fu)務(wu)。
寶貝詳情了解到SOUTHWEST西北徽波請彈框://m.www.takasago.net.cn/brand/7.html