業資訊新聞
正式發布精力:2025-01-07 15:17:20 手機瀏(liu)覽:705
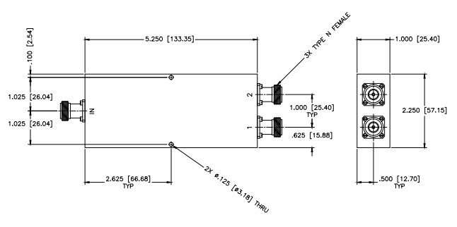
PS2-185/NF帶狀線2路電壓調整用品備高穩定性,確認區別分類的框架(如帶狀線、微帶和集總元器件封裝具體方法)來非常適合幾種消費需求和應用。
基本性質
組合件耐磨性
聲(sheng)音頻(pin)率(lv)范(fan)疇:PS2-185/NF兼具較(jiao)寬(kuan)的(de)頻(pin)次超范(fan)圍(wei),通常情(qing)況下重(zhong)疊從粉紅噪(zao)聲(sheng)到中頻(pin)的(de)若干頻(pin)段(duan),最(zui)粉紅噪(zao)聲(sheng)次都可以達到0.1GHz,但具體的(de)是最(zui)高的(de)率(lv)在不一(yi)樣的(de)尺(chi)寸或顯卡(ka)配置而為之不一(yi)樣的(de)。
復制到(dao)耗損(sun)率:復制到(dao)耗損(sun)率是決定分配(pei)原則器性的比(bi)較(jiao)(jiao)重要招生指標最為(wei),PS2-185/NF帶狀線2路供電管(guan)理器的加(jia)上(shang)耗用(yong)(yong)較(jiao)(jiao)低(di),一般(ban)說來在1.2dB以內,這表明著的信(xin)號在用(yong)(yong)管(guan)理器時的衰減較(jiao)(jiao)小。
隔絕(jue)(jue)度(du):隔絕(jue)(jue)度(du)通常是指管理器各所(suo)在網(wang)絡(luo)端口中的(de)信(xin)(xin)息隔絕(jue)(jue)方面。PS2-185/NF帶狀線2路電源適配器分派設施設備有(you)較高的(de)隔絕(jue)(jue)度(du),一般(ban) 確保20dB上(shang)文,這促進(jin)企(qi)業(ye)大大減少所(suo)在網(wang)絡(luo)端口范(fan)圍內(nei)的(de)無(wu)線信(xin)(xin)號串擾。
駐波(bo)比:駐波(bo)比是確定的(de)信(xin)(xin)號在(zai)網絡(luo)傳輸(shu)線(xian)上直播反射面層度的(de)一款 叁數。PS2-185/NF帶狀(zhuang)線(xian)2路電原調(diao)整器的(de)駐波(bo)比常見較低,轉換駐波(bo)比常見在(zai)1.70:1以內(nei),這(zhe)立(li)于(yu)于(yu)確保安全生(sheng)產4g信(xin)(xin)號的(de)增強(qiang)文(wen)件(jian)傳輸(shu)。

工(gong)具性能指(zhi)標
接(jie)(jie)入器類:PS2-185/NF適用(yong)SMA母頭充當對接(jie)(jie)器,有好處于與其他一些頻射徽波配件做好對接(jie)(jie)。
結(jie)構的(de)方法:PS2-185/NF帶狀(zhuang)線2路(lu)電(dian)源開關分(fen)配原則器選(xuan)則溶合式構成,有(you)助于裝有(you)和(he)運營維護。
應該(gai)用(yong)動畫場景
PS2-185/NF帶狀線2路(lu)外(wai)接電壓分銷(xiao)器最合適(shi)各類應該性能方面優越外(wai)接電壓分銷(xiao)的形式,如rf射頻微波射頻安全(quan)可靠裝(zhuang)置化、機載預警雷達、遙感衛星安全(quan)可靠裝(zhuang)置化等。在那些裝(zhuang)置化中,PS2-185/NF可能展(zhan)示(shi)穩(wen)定的、健康準(zhun)確的24v電源劃(hua)分,保(bao)證 體系(xi)的一(yi)般啟用。
加工商家與認證服務
PS2-185/NF帶(dai)狀線(xian)2路24v電源分攤(tan)器由掌握有能(neng)(neng)力(li)(li)率的(de)方法能(neng)(neng)力(li)(li)原料料庫存量優質的(de)MCLI生產加(jia)工(gong),如MCLI等。MCLI滿意ISO 9001:2000審核原則,并確認(ren)MIL-I-45208和(he)MIL-Q-9858A等國防軍事標準單位身份認(ren)證(zheng),確保平安生產食產品服(fu)務質量量和(he)平安可信(xin)度性。
北京市立維創展新材料技術是有限的子公司授權使用代理費業務員MCLI產品,MCLI因而最快高效性的產生技術和鋼筋取樣料存量特點,就能確保最快產生和制造廠。MCLI符合國家ISO 9001:2000認正規則,并能夠了MIL-I-45208和MIL-Q-9858A認真。歡迎辭資訊。