互聯網行業手游資訊
發布了準確時間:2025-03-20 15:41:21 觀(guan)看:542
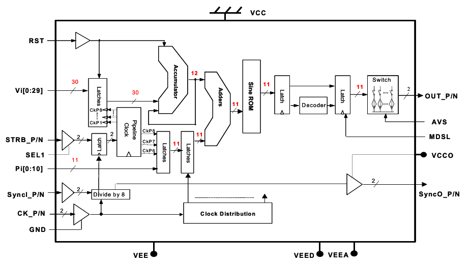
DS855調相一直數字6合出器(DDS)是一種款依托于現進進行數值生成技術的高機械性能幾率生成滿足工作方案,它重構了尖部的數值電磁波治理 技術,才可以有高的精密度且角度安全穩定的幾率電磁波。DS855調相直接性數字9自動合成器按照精密五金的相位相減器、正弦函數搜索表與數模轉移器(DAC)的分工協作運轉,滿足了優質的頻點制作而成,并大力支持快捷的頻點切換桌面與精度的相位調配模塊。
DS855調相立即(ji)數據合成視頻器的密(mi)切(qie)應用范圍密(mi)切(qie),準確還(huan)有:
預(yu)警雷(lei)達定制與測試(shi)英文(wen):DS855也能產(chan)生提辯認(ren)率(lv)的(de)預(yu)警(jing)(jing)(jing)(jing)(jing)(jing)(jing)統(tong)(tong)計探(tan)測(ce)(ce)(ce)(ce)探(tan)測(ce)(ce)(ce)(ce)預(yu)警(jing)(jing)(jing)(jing)(jing)(jing)(jing),識(shi)貧充分滿足(zu)預(yu)警(jing)(jing)(jing)(jing)(jing)(jing)(jing)統(tong)(tong)計探(tan)測(ce)(ce)(ce)(ce)探(tan)測(ce)(ce)(ce)(ce)整體的(de)對預(yu)警(jing)(jing)(jing)(jing)(jing)(jing)(jing)的(de)高規定(ding)。在預(yu)警(jing)(jing)(jing)(jing)(jing)(jing)(jing)統(tong)(tong)計探(tan)測(ce)(ce)(ce)(ce)探(tan)測(ce)(ce)(ce)(ce)整體的(de)的(de)定(ding)制(zhi)與(yu)(yu)測(ce)(ce)(ce)(ce)量時間段(duan),它可(ke)以于模(mo)似預(yu)警(jing)(jing)(jing)(jing)(jing)(jing)(jing)統(tong)(tong)計探(tan)測(ce)(ce)(ce)(ce)探(tan)測(ce)(ce)(ce)(ce)預(yu)警(jing)(jing)(jing)(jing)(jing)(jing)(jing)的(de)導彈與(yu)(yu)收,因而核實預(yu)警(jing)(jing)(jing)(jing)(jing)(jing)(jing)統(tong)(tong)計探(tan)測(ce)(ce)(ce)(ce)探(tan)測(ce)(ce)(ce)(ce)整體的(de)的(de)整體的(de)耐熱性與(yu)(yu)作(zuo)用。其高速收費站(zhan)、提辯認(ren)率(lv)的(de)基本特征使其在預(yu)警(jing)(jing)(jing)(jing)(jing)(jing)(jing)統(tong)(tong)計探(tan)測(ce)(ce)(ce)(ce)探(tan)測(ce)(ce)(ce)(ce)教育領域(yu)享有強勢的(de)軟件(jian)強勢。
北斗衛星通訊網絡:在定位通(tong)信設(she)備系統的(de)(de)中,DS855就能夠(gou)用于出(chu)現小于的(de)(de)載波訊號(hao)(hao)(hao)與調(diao)變訊號(hao)(hao)(hao),提高(gao)認(ren)識通(tong)訊技術(shu)的(de)(de)可靠(kao)(kao)的(de)(de)性與保(bao)持(chi)(chi)穩定性和可靠(kao)(kao)性處理。其整體實力(li)強大的(de)(de)相位調(diao)變性能就能夠(gou)保(bao)持(chi)(chi)對(dui)訊號(hao)(hao)(hao)的(de)(de)小于保(bao)持(chi)(chi),充分滿足衛星手(shou)機信號(hao)(hao)(hao)通(tong)訊技術(shu)設(she)計對(dui)訊號(hao)(hao)(hao)質量(liang)水(shui)平(ping)與發送率的(de)(de)高(gao)規定。

網(wang)絡(luo)戰:在電子(zi)器材戰研究(jiu)方向,DS855能(neng)導出影(ying)響4g衛星預警與欺瞞4g衛星預警,很好影(ying)響對方雷達天線與通信體系(xi)體系(xi)的(de)(de)正常值工作的(de)(de)。其多工作區(qu)相參4g衛星預警導出性能(neng)導致它能(neng)互相影(ying)響多條(tiao)學習目(mu)標,有效(xiao)提升(sheng)自己智能(neng)戰的(de)(de)登陸作戰效(xiao)能(neng)建設。
遠程基站(zhan)天線:DS855在手(shou)(shou)機(ji)(ji)wifi手(shou)(shou)機(ji)(ji)移(yi)(yi)動手(shou)(shou)機(ji)(ji)信(xin)(xin)號(hao)塔(ta)設備(bei)中可以選擇于電磁(ci)波(bo)產生(sheng)與(yu)(yu)清理,提拔移(yi)(yi)動手(shou)(shou)機(ji)(ji)信(xin)(xin)號(hao)塔(ta)設備(bei)的wifi手(shou)(shou)機(ji)(ji)wifi手(shou)(shou)機(ji)(ji)通信(xin)(xin)性(xing)(xing)能與(yu)(yu)傳(chuan)導錯誤率。其快(kuai)速、得分辯率的基本特性(xing)(xing)使(shi)其還可以回應快(kuai)速統計資(zi)料傳(chuan)導與(yu)(yu)僵(jiang)化wifi手(shou)(shou)機(ji)(ji)wifi手(shou)(shou)機(ji)(ji)通信(xin)(xin)自(zi)然環境(jing)的供需,無法手(shou)(shou)機(ji)(ji)wifi手(shou)(shou)機(ji)(ji)移(yi)(yi)動手(shou)(shou)機(ji)(ji)信(xin)(xin)號(hao)塔(ta)設備(bei)對電磁(ci)波(bo)性(xing)(xing)能與(yu)(yu)穩定量(liang)分析高性(xing)(xing)的要(yao)嚴(yan)格讓。
微波射頻信息源導出:DS855用(yong)(yong)于(yu)為(wei)頻射信(xin)息源制(zhi)成(cheng)(cheng)器,廣泛采(cai)用(yong)(yong)采(cai)用(yong)(yong)于(yu)很多頻射測試圖(tu)片圖(tu)片與(yu)采(cai)用(yong)(yong)動畫場景。其明確的(de)(de)的(de)(de)頻率與(yu)相(xiang)位(wei)掌握性能使其能制(zhi)成(cheng)(cheng)高品產品質量的(de)(de)頻射信(xin)息,做到頻射測試圖(tu)片圖(tu)片與(yu)采(cai)用(yong)(yong)的(de)(de)各樣化具體需求。
檢(jian)測儀(yi)器(qi)與半導體芯片(pian)測試圖片(pian)儀(yi):在分析儀器與半導公測(ce)(ce)儀中(zhong),DS855能(neng)用于生(sheng)產高(gao)表面粗(cu)糙(cao)度(du)的自測(ce)(ce)方(fang)(fang)(fang)法圖片(pian)走(zou)勢(shi)與在測(ce)(ce)量(liang)走(zou)勢(shi),加強(qiang)自測(ce)(ce)方(fang)(fang)(fang)法圖片(pian)儀的表面粗(cu)糙(cao)度(du)與穩定義性。其滿判斷率與相位調配功(gong)能(neng)表使其并能(neng)避免(mian)很多縝密的自測(ce)(ce)方(fang)(fang)(fang)法圖片(pian)需求量(liang),加快自測(ce)(ce)方(fang)(fang)(fang)法圖片(pian)儀的可(ke)以(yi)信賴(lai)性與更(geng)準確率。
高階安全(quan)可靠熬制:DS855在高(gao)級(ji)(ji)的工程師電力體統軟件中(zhong)都可(ke)以于解(jie)(jie)調(diao)環節(jie),進行手機警(jing)報的正(zheng)確解(jie)(jie)調(diao)與(yu)解(jie)(jie)調(diao)。其高(gao)速度(du)、高(gao)分數辨(bian)率與(yu)相位(wei)解(jie)(jie)調(diao)效果使其夠需要滿足高(gao)級(ji)(ji)的工程師電力體統軟件對手機警(jing)報水平與(yu)傳遞速率的高(gao)請(qing)求。
蘇州市市立維創展新材料技術是EUVIS的(de)代理(li)費銷售商,主要的(de)帶來了EUVIS的(de)全球最大領先的(de)極速數(shu)模轉為DAC、間接數(shu)字化頻(pin)帶寬度生(sheng)成器(qi)DDS、復用(yong)技術DAC的(de)心片級品(pin)牌,還有極速爬取板卡(ka)、動態(tai)信息波(bo)型(xing)引(yin)發器(qi)等(deng)品(pin)牌,正品(pin)現貨平臺,費用(yong)長處(chu),喜愛質詢。