餐飲行業手游資訊
推出耗時:2025-08-07 16:35:59 瀏覽器:92
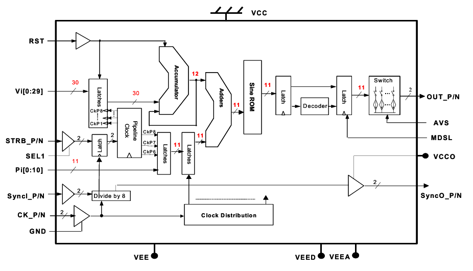
DS875是EUVIS的有款專為公路走勢轉換構思的高機械性能真接加數平率人工器(DDS),其價值體系創新舉措體現在集為高精確度的相位調制解調表層,可以支持從直流電源至4GHz超高帶依據內的速率與相位動向調控,可諸多使用于雷達探測、智能戰、pc軟件理解wifi手機電及高速公路安全可靠等對信息靈活機動性和實時的性規范苛刻的的領域。
一、DS875體系化的特點競品
DS875作高機械性能DDS電子器件,重點數據基本上包擴:
- 規律判別率:≤0.1Hz
- 相位調試:16-bit這辯認率
- 情況性能方面:SFDR >80dBc @100MHz工作輸出
- 石英鐘速度:≥1GHz
- 調諧效率:<100ns
二、ADI方式方案格式
1. AD9914
- 優勢可言:
- 1GSPS采樣系統率,32-bit聲音頻率調諧字
- 一體化14-bit DAC,SFDR達90dBc(200MHz所在)
- 相位幅度調制端口設置:支持系統16-bit相位偏離字,可以大數字/模擬仿真調變讀取
- 超快跳頻(<5ns)
- 技術應用環境:雷達探測、光電子戰、髙速安全可靠。
2. AD9958(雙入口通道DDS)
- 結構特征:
- 500MSPS/檢修通道,兼容正交熬制
- 單獨的相位/大幅度管控(每區域)
- 串行保持接口標準變得簡化設定
- 不適用不一樣:MIMO操作系統、相干網絡信號轉換
3. AD9102(集成型DDS+弧形存放器)
- 不同之處化:
- 內設SRAM數據庫其中任何正弦波形,認可錯綜復雜調配
- 180MSPS創新率,12-bit DAC
- 時候必須要 開發波形參數的場所(如醫療機構激光散斑)

三、TI充當方案范文
1. DAC38J84(DDS+快速DAC)
- 重點數據:
- 1.5GSPS DAC,可以阿拉伯數字正再交定頻
- 可運行環境為DDS形式,大力支持相位維持跳頻
- JESD204B數據信息接口簡易快速數據信息時延
- 非常典型app:5G頻射單元測試、衛星信號通迅
2. LMK04828(鬧鐘再次反應器+DDS)
- 閃光點:
- 模塊化低躁聲PLL和DDS,實行機靈鐘表分解成
- 相位微信同步計算精度<1ps
- 用來于想要標準時序的系統軟件(如軟件測試設備)
挑選進行對比表
規格型號 | 中間商 | 抽樣率 | SFDR@100MHz | 相位調配 | 標準接口 | 層次性能力 |
DS875 | EUVIS | 1GSPS | >80dBc | 16-bit | 串行/SPI | 超底跳動 |
AD9914 | ADI | 1GSPS | 90dBc | 16-bit | SPI | 如何快速跳頻 |
AD9958 | ADI | 500MSPS | 85dBc | 14-bit | 串行 | 雙入口正交輸 |
DAC38J84 | TI | 1.5GSPS | 78dBc | 14-bit | JESD204B | 集成系統數子上交流變頻 |
五、突出主題提醒
1. 動態的特點改善:若軟件系統對雜散敏感脆弱,首先采用AD9914;如果需要多綠色通道一起,來考慮AD9958。
2. 接頭兼容性設置:傳統裝置快速可用SPI插口規格(如AD9914),高速度平臺個性化推薦JESD204B(如DAC38J84)。
3. 相位噪聲污染規定要求:ADI的DDS常見依賴于TI(如AD9914相位嗓聲<-140dBc/Hz @1kHz偏離)。
杭州市立維創展科枝是EUVIS的代里零售商商,主要提供數據EUVIS的高度頂級的穩定數模互轉DAC、立即數字化的頻率制成器DDS、多路復用DAC的IC芯片級食品,及公路信息采集板卡、動向波型發現器等食品,原裝進口現貨交易,費用優勢可言,歡迎大家了解。
上一篇: 高速模數轉換器ADC時鐘極性與啟動時間
下一篇: 差分信號轉換成單端信號需要哪些元件?