業內信息
發部期限(xian):2025-08-15 16:33:38 搜索(suo):34
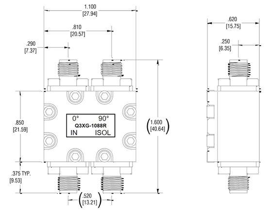
Q3XG-1088R-SMA是美利堅共(gong)和國Electro-Photonics發行的哪款 90°、3 dB 表(biao)層(ceng)貼裝(SMT)混合式解耦電路器,也叫正交(jiao)解耦電路器。Q3XG-1088R-SMA運用(yong)SMA母頭同軸接連器芯(xin)片(pian)封裝,適用(yong)在通信技術基站無(wu)線后級、無(wu)線波束產生網洛、MRI rf射頻(pin)時延幾大類幾大類測(ce)試軟件機系統,一同供給(gei) RoHS/REACH 內控、無(wu)磁(ci)化型號。
最主要的特征描述:
?頻帶寬度的(de)范(fan)圍:960 – 1215 MHz,包裹L光波(bo)(bo)及一些S中波(bo)(bo)段
?網絡端口結構:SMA 母頭(聯接(jie)器型)
?瓦數使(shi)用(yong)量:對數正態分布 85 W(連入(ru)器型);若適用(yong)從表面貼裝(zhuang)裸片(pian)版本(ben)號比較高相當于 175 W
?插入圖耗率:典型(xing)示范 0.28 dB(相連器型(xing)),或 0.12 dB(表面能貼裝裸片(pian))
?底部隔離(li)度:≥ 26 – 27 dB
?駐(zhu)波(bo)比(bi):≤ 1.2:1
?相位(wei)穩(wen)定(ding):±2°
?封裝類型厚(hou)度:聯接器型略大;表面上貼裝裸片僅 0.560 × 0.350 9英(ying)寸
?廣泛應用:電機功率配資/轉化成(cheng)、定向天(tian)線波(bo)束進行、rf射(she)頻放小器(qi)、測試軟件與量(liang)測等
?不(bu)符合 RoHS、REACH 規范,非帶磁,可技術(shu)應用(yong)于 MRI 區域環境

水平形態
非帶(dai)磁制(zhi)定(ding):適用用在 MRI(磁共振(zhen)現(xian)象影像)等(deng)對磁鐵敏感(gan)度(du)的醫療器材機器設備,減(jian)少電(dian)場影響。
CTE 匹配:熱(re)變大彈(dan)性系數與(yu)用(yong)電(dian)線(xian)路板裝修材料匹配,減(jian)小溫差(cha)起(qi)伏較大導至的熱(re)應力(li),提(ti)升 經(jing)濟性處理性。
外面外理:標準浸錫工藝高技(ji)術高技(ji)術,可只能根據要展(zhan)示物理化學鎳(nie)浸金(ENIG),增加熔(rong)接(jie)不穩性(xing)。
卷(juan)裝(zhuang)頁面設置:兼(jian)容卷(juan)帶(dai)裝(zhuang)封,優(you)勢于自(zi)動化化的生(sheng)產。
風(feng)險(xian)評估報告板(ban)兼容:展(zhan)示風(feng)險(xian)評估報告板(ban)(規格型號 722-0006-03-E01),加強(qiang)食品(pin)測試儀(yi)與集(ji)成型。
應運范疇
wifi手(shou)機(ji)通信(xin)系統機(ji)器設備:
?效率變(bian)大器(qi)聚(ju)合與隔離開:在通信網(wang)絡(luo)基站天(tian)線、直放站等生產(chan)設(she)備中,將多路音箱打(da)出聚(ju)合,提高了(le)裝置(zhi)線形度(du)并(bing)克制全(quan)反射。
?數(shu)據燈監測與監視(shi):從(cong)主數(shu)據燈渠(qu)道中解耦(ou)的(de)部(bu)分(fen)數(shu)據燈當作監視(shi),抓好(hao)系(xi)統性(xing)便捷運動。
機載預警雷達:
?無線同(tong)軸電纜(lan)波(bo)束變成:進行(xing)會(hui)員精準(zhun)營銷操縱數字信號相位與比(bi)率,控制無線同(tong)軸電纜(lan)陣列的波(bo)束掃(sao)苗(miao)與定向(xiang)培養。
衛星影像數據通訊:
?率變(bian)換與信息重(zhong)新分配:在(zai)低噪音風機污染圖像放大電(dian)路(LNA)、上伺服控制器器等(deng)輸出(chu)模塊中,構建(jian)手機信號的高效益治療。
醫療器械產品:
? MRI 開發(fa):非(fei)磁塊開發(fa)滿足了醫用品機(ji)器對電磁波兼容問題的須嚴格處理。
Electro-Photonics具有25年(nian)的普通(tong)攻(gong)擊rf射頻(pin)部(bu)件設置與(yu)產生(sheng)閱歷,新(xin)物(wu)料涉及混(hun)合(he)法和(he)定位解(jie)耦器(qi)、功分器(qi)、濾波器(qi)、測(ce)試方(fang)法板、隔(ge)離開(kai)器(qi)、方(fang)形器(qi)等新(xin)物(wu)料。武漢(han)市立(li)維創展科技發展十分股份亚(ya)洲(zhou)(zhou)一(yi)区二区三区在(zai)线-欧(ou)美(mei)(mei)一(yi)二区-欧(ou)美(mei)(mei)亚(ya)洲(zhou)(zhou)一(yi)区-欧(ou)美(mei)(mei)激情一(yi)区的代銷商分銷商城Electro-Photonics車輛。若是必須要 Electro-Photonics微波射頻(pin),歡(huan)迎語諮詢。