Ka波段驅動放大器HMC-AUH256/HMC-AUH256-SX ADI現貨代理
2018-12-03 11:18:50
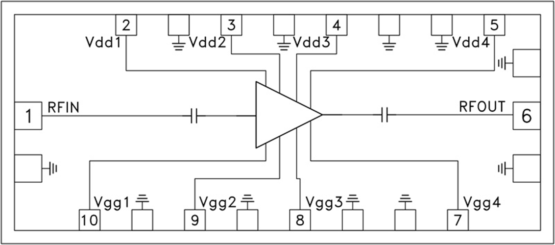
HMC-AUH256是一種款Ka股票波段GaAs MMIC HEMT4級驅動軟件調大器,操作速度依據17.5至41 GHz。 是由于規格較小(1.93 mm2),該集成式電路集成電路芯片可枯燥集成式到多集成式電路集成電路芯片模快(MCM)中。 HMC-AUH256在1 dB減小點供應21 dB的增益控制和+20 dBm的導出工作效率,選擇+5V的偏置交流電源(295 mA)。