?LWH03060YAH替代PTH03060YAH:高性能電源模塊的優選方案
2025-06-04 16:34:15
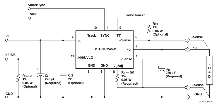
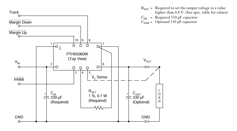
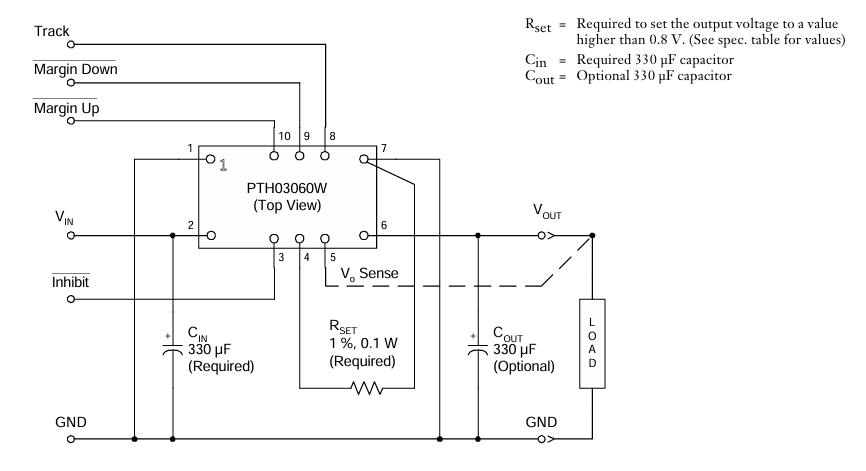
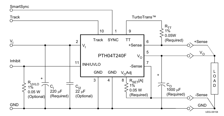
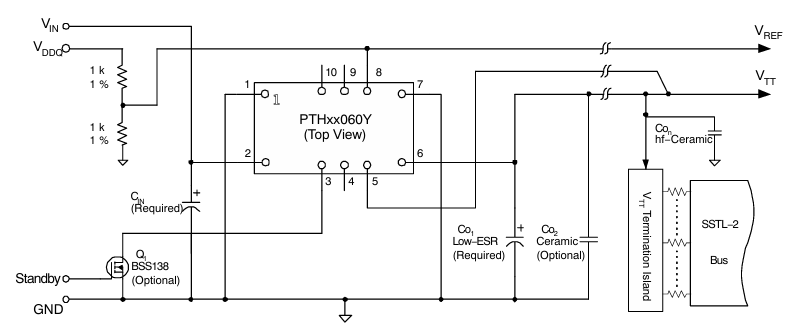
因 PTH03060YAH 購貨時間是變長與價格低大問題,LWH03060YAH 可以作為為其代替品方式,適用到于工業園有效控制等對穩定安全性和錯誤率標準高的場景中。它通過與 PTH03060YAH 一模一樣的 10-DIP 二極管封裝,電器特性基本參數高寬比符合,無須修改游戲 PCB 的布置只能替換成。一并,LWH03060YAH 在大環境適宜性上優質,上班溫度因素依據更寬、抗抑制意識更強、動用使用期限更長,且購貨時間是更短、價格低降低 15%-20%,是建筑項目工程師克服元功率器件銷售浮動的機智之選 。