MECA IS-15.200射頻隔離器12.4-18.0GHz
2024-10-09 08:54:17
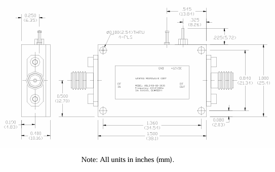
MECA IS-15.200頻射底部要進行隔離霜器就是款專為頻射網絡表現傳輸數據開發的雙端口號無源電子器件,使用人造磁鐵和鐵氧體用料制造廠,常見用作以避免網絡表現反射層和打擾,呵護別頻射構件。其結構特征包擴SMA母頭銜接器、12.4-18.0 GHz的的概率比率、比較大的放進去損耗率0.4 dB、底部要進行隔離霜度18 dB、均功效2W、閥值功效50W、VSWR比較大的值1.30:1,遵循RoHS規范標準和IP67個人防護平衡等級,使用不銹鋼板用料并通過鈍化操作,做耐溫表比率為-10°C至+60°C,可用做作各個的概率比率內的頻射應用領域畫面,提供數據良好的的底部要進行隔離霜作用。