RFLI090M21M29超寬帶同軸隔離器RF-LAMBDA
2024-06-21 08:46:13
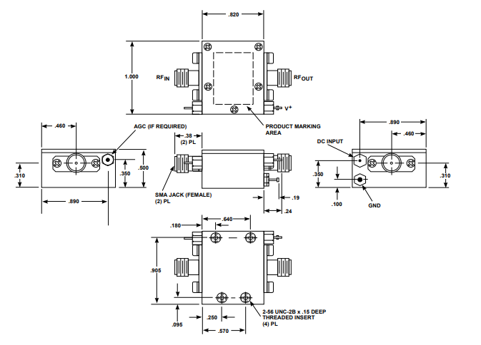
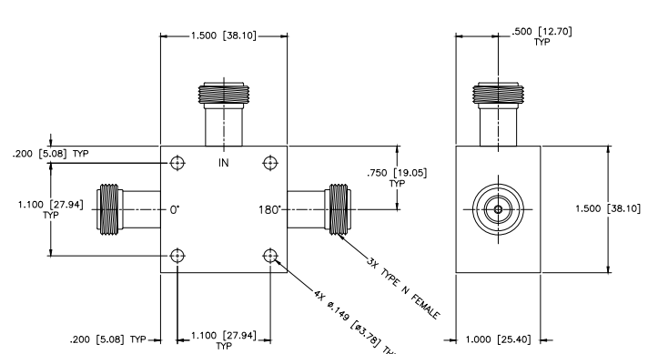
RFLI090M21M29是RF-LAMBDA的1款超高帶同軸隔開開器,任務頻點為214MHz至286MHz,有著0.6dB最大的進到這一前沿技術消耗、19dB超小隔開開度、1.3:1 VSWR和50W接連波正方向功效。它使用在N型或SMA型接入器,電阻值為50Ω,任務的溫度標準為-40°C至+85°C。該隔開開器使用在于有線知識基礎配制、軍事、中國航空核工業、測量器材、雷達探測系統性、5G通信網絡等前沿技術,有著不錯的抗振和沖擊試驗能力,可在高達獨角獸30,000英寸的海拔髙度髙度下任務。