?CMD236C4寬帶MMIC SP6T(單刀六擲)射頻開關Qorvo原裝現貨
2025-06-06 16:32:01
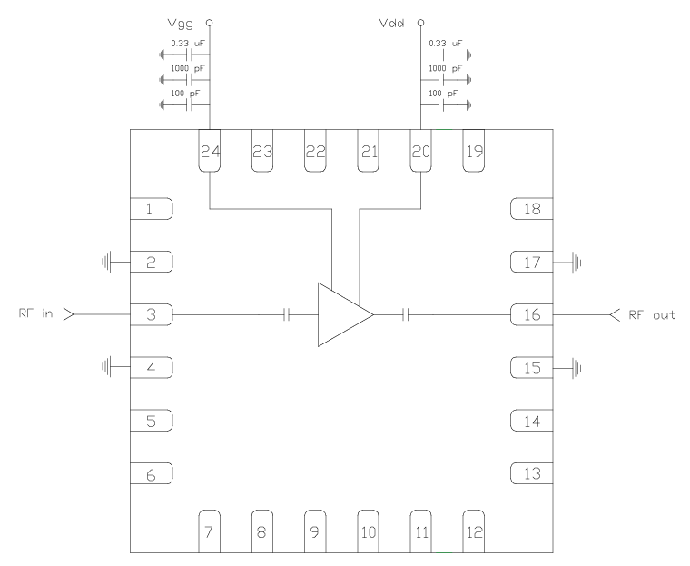
CMD236C4是Qorvo裝修公司停售的帶寬MMIC SP6T(單刀六擲)rf微波射頻轉換開關,用于4x4公厘無引線單單從表面貼裝打包封裝類型,涵蓋DC至18GHz頻段,在10GHz時必備著低至2.5dB的復制到不足和達42dB的丟開度,必備60ns添加速度慢、16dBm的1dB收縮點,用于陶瓷圖片QFN打包封裝類型并結合科技創新板載二進制編解碼器以減化裝修開發,還有有效送電和低直流電電壓電流使用的特點,其緊奏型打包封裝類型、非折射式裝修開發及推廣MMIC技術工藝特備適合位置受阻的低頻軟件,可使用于軍工雷達探測和電商戰軟件、通訊衛星通訊設施、軟件測試衡量檢測設備及5G基站天線rf微波射頻web前端等方面。