XC1900A-03S低剖面,高性能3dB混合耦合器原裝庫存
2020-05-07 09:53:07
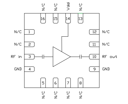
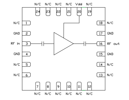
XC1900A-03S?是種低剖面,高功效3dB相溶耦合電路器在一種新的可以便用,產生信賴的外觀的安裝包。它是為DCS和PCS股票波段應該用而設汁的。XC1900A-03是專為和平點工作效率和低噪音分貝增加器,再加數據信號分配原則和許多應該用,低導入耗損率和優勢互補的波動和相位和平點是需要的。它也可以于達150瓦的大工作效率應該用。部件過程堅持原則的鑒定費測試測試,并便用熱變大標準值(CTE)與常見的柔性板(如FR4、G-10、RF-35、RO4350和聚酰亞胺)兼容的食材產生。也可以于5/6錫鉛(XC19000 A-03P)和6/6錫浸入(XC19000 A-03S)契合RoHS的木飾面。